Click on the empty space to go back
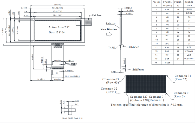
128*64 2.7” OLED DG-027Q02
Dot Matrix: 128 x 64
Module dimension: 73.0 × 41.86 × 2.15 mm
Active Area: 61.41 × 30.69 mm
Pixel Size: 0.45 × 0.45 mm
Pixel Pitch: 0.48 × 0.48 mm
Display Mode: Passive Matrix
Display Color: Monochrome (White)
Drive Duty: 1/64 Duty
Operating Temperature: -40 +80 °C
Storage Temperature: -40 +80 °C
- Description





